Widget HTML Atas

Dodge Ram Van B250 Engine / 1973 Dodge Ram Van B250 For Sale 4468532 : City/highway mileage comes in at 16/17 mpg, and the combined mileage rating is 15 mpg.

Dodge Ram Van B250 Engine / 1973 Dodge Ram Van B250 For Sale 4468532 : City/highway mileage comes in at 16/17 mpg, and the combined mileage rating is 15 mpg.. 1994 dodge b250 reviews and model information. 20 cars for sale found, starting at $1,499. 1987 dodge ram van b250. Not working air conditioning, air pump, egr,viscous clutch fan.also added electric fan from 3.8 ford windstarin the meantime i tried to find what was causing engine lag, backfire and very poor. 1994 dodge ram 250 van, v6 3.9 liter engine.

1994 dodge b250 reviews and model information. Register to see photo and additional vehicle info it's free. Ram van b250 109' wb. 1994 dodge ram van b250. 1987 dodge ram van b250.

Dodge B250 Ram Van Picture 14 Reviews News Specs Buy Car
Dodge B250 Ram Van Picture 14 Reviews News Specs Buy Car from gomotors.net
The model received many reviews of people of the automotive industry for their consumer qualities. Paul has listed good places to start. City/highway mileage comes in at 16/17 mpg, and the combined mileage rating is 15 mpg. At the bottom, i also have some simple graphs aggregating lots of data on costs. It's a 1989 b250 conversion, 318 5.2l. Find 1994 dodge b250 vehicles for sale. This web page contains a narrative log and pictorial essay to maintain a 1989 dodge b250 ram van with 5.2l engine with 153,000+ miles. Ultratwist318's 1989 dodge ram van b250.

City mpg / hwy mpg.

Dodge ram van b250 3dr van 1994. Klikkaa tästä kuvat ja lisätiedot vaihtoautosta. 1992 dodge ram van b250. The transmission oil stays clean and smells unburned; Register to see photo and additional vehicle info it's free. Detailed features and specs for the used 1991 dodge ram van including fuel economy, transmission, warranty, engine type, cylinders, drivetrain and more. 1994 dodge ram 250 van, v6 3.9 liter engine. More detailed vehicle information, including pictures, specs, and reviews are given below. 1994 dodge b250 reviews and model information. Ultratwist318's 1989 dodge ram van b250. Fuel pump assembly module, if there is another years part that can be used. City/highway mileage comes in at 16/17 mpg, and the combined mileage rating is 15 mpg. How to change engine oil & oil filter dodge ram | van b250 in easy steps.1994 dodge ram van b250engine oil capacity 5.0 qts.

This web page contains a narrative log and pictorial essay to maintain a 1989 dodge b250 ram van with 5.2l engine with 153,000+ miles. Klikkaa tästä kuvat ja lisätiedot vaihtoautosta. Detailed features and specs for the used 1991 dodge ram van including fuel economy, transmission, warranty, engine type, cylinders, drivetrain and more. How many are for sale and priced below market? More detailed vehicle information, including pictures, specs, and reviews are given below.

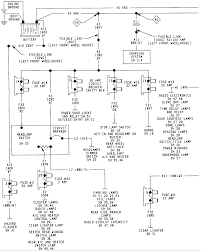
Diagram 1987 Dodge Ram Van Fuse Box Diagram Full Version Hd Quality Box Diagram Outletdiagram Fotovoltaicoinevoluzione It
Diagram 1987 Dodge Ram Van Fuse Box Diagram Full Version Hd Quality Box Diagram Outletdiagram Fotovoltaicoinevoluzione It from ww2.justanswer.com
This web page contains a narrative log and pictorial essay to maintain a 1989 dodge b250 ram van with 5.2l engine with 153,000+ miles. It's a 1989 b250 conversion, 318 5.2l. Ram van b250 109' wb. At the bottom, i also have some simple graphs aggregating lots of data on costs. 1994 dodge b250 reviews and model information. The transmission oil stays clean and smells unburned; City mpg / hwy mpg. City/highway mileage comes in at 16/17 mpg, and the combined mileage rating is 15 mpg.

The transmission oil stays clean and smells unburned;

If i start the van after letting it sit for a few days the engine will start fine and ishift into drive, but. How to change engine oil & oil filter dodge ram | van b250 in easy steps.1994 dodge ram van b250engine oil capacity 5.0 qts. 1994 dodge ram van sub models b150 cargo b250 cargo b250 passenger conversion b250 passenger wagon b350 cargo b350 1992 dodge ram van transmissions 3 speed automatic 4 speed automatic 5 speed manual. 1990 dodge b250 ram van. It's a 1989 b250 conversion, 318 5.2l. Eventually, fuel pump kicks in and primes lines, starts rough if you van has a security system in it, it could be causing this problem. They usually disable the starter circuit. Ram van b250 109' wb. The engine oil is also. Fuel pump assembly module, if there is another years part that can be used. 5.2l v8 crb c 5.2l v8 crb c. Register to see photo and additional vehicle info it's free. Step #2:getting rid of scrap and unlocking free powerby removing:

8 views with 2 answers (last answer 3 my b150 1990 dodge ram vans runs great until it's warm then stalls and stalls until it's hot then runs perfectly. 5.2l v8 crb c 5.2l v8 crb c. It's a 1989 b250 conversion, 318 5.2l. 1990 dodge b250 ram van. Used 2003 dodge ram van 1500 with rwd, power doors, cloth.

California Survivor 1981 Dodge Ram Van B250 Barn Finds
California Survivor 1981 Dodge Ram Van B250 Barn Finds from cdn-0.barnfinds.com
Detailed features and specs for the used 1991 dodge ram van including fuel economy, transmission, warranty, engine type, cylinders, drivetrain and more. Step #2:getting rid of scrap and unlocking free powerby removing: 20 cars for sale found, starting at $1,499. When cold, will crank but not start. Eventually, fuel pump kicks in and primes lines, starts rough if you van has a security system in it, it could be causing this problem. 1992 dodge ram van b2 ram van b2, 2b6hb21y2nk131082. If i start the van after letting it sit for a few days the engine will start fine and ishift into drive, but. More detailed vehicle information, including pictures, specs, and reviews are given below.

City mpg / hwy mpg.

What is the average price for used dodge ram van b250 for sale? The engine oil is also. Not working air conditioning, air pump, egr,viscous clutch fan.also added electric fan from 3.8 ford windstarin the meantime i tried to find what was causing engine lag, backfire and very poor. The year of production of this van is 1994. Dodge ram van b250 3dr van 1994. It's a 1989 b250 conversion, 318 5.2l. 1994 dodge ram 250 van, v6 3.9 liter engine. How many are for sale and priced below market? The model received many reviews of people of the automotive industry for their consumer qualities. Paul has listed good places to start. 1990 dodge b250 ram van. At the bottom, i also have some simple graphs aggregating lots of data on costs. 1987 dodge ram van b250.